首页
关于我们
公司简介
公司文化
公司架构
新闻动态
公司新闻
行业动态
产品中心
燃烧器
配件
服务与维修
燃烧器现货库存
人力资源
人才理念
招聘岗位
联系我们
联系方式
客户留言
English
产品中心
Product Center
燃烧器
RIELLO利雅路燃烧器
BALTUR百得燃烧器
PYRONIAO派诺尼奥燃烧器
WEISHAUPT威索燃烧器
配件
服务与维修
服务流程
常见问题
信息资料下载
燃烧器现货库存
400-886-9767
联系我们
您的当前位置:
首页
>
产品展示厅
>
配件
> 配件
←
→
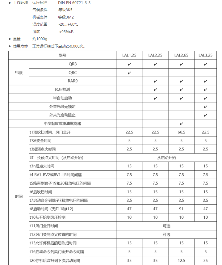
德国SIEMENS西门子程序控制器LFL1.333
产品详情
下载
关于我们
公司简介
公司文化
公司架构
新闻动态
公司新闻
行业动态
产品中心
燃烧器
配件
服务与维修
燃烧器现货库存
人力资源
人才理念
招聘岗位
联系我们
联系方式
客户留言
官方微信二维码
网站建设
:
互诺科技
沪ICP备18008156号-1
分享:
展开
收缩
在线客服
QQ客服