返回
产品中心
取消
产品列表
燃烧器
配件
服务与维修
燃烧器现货库存
德国SIEMENS西门子程序控制器LMO24.111C2
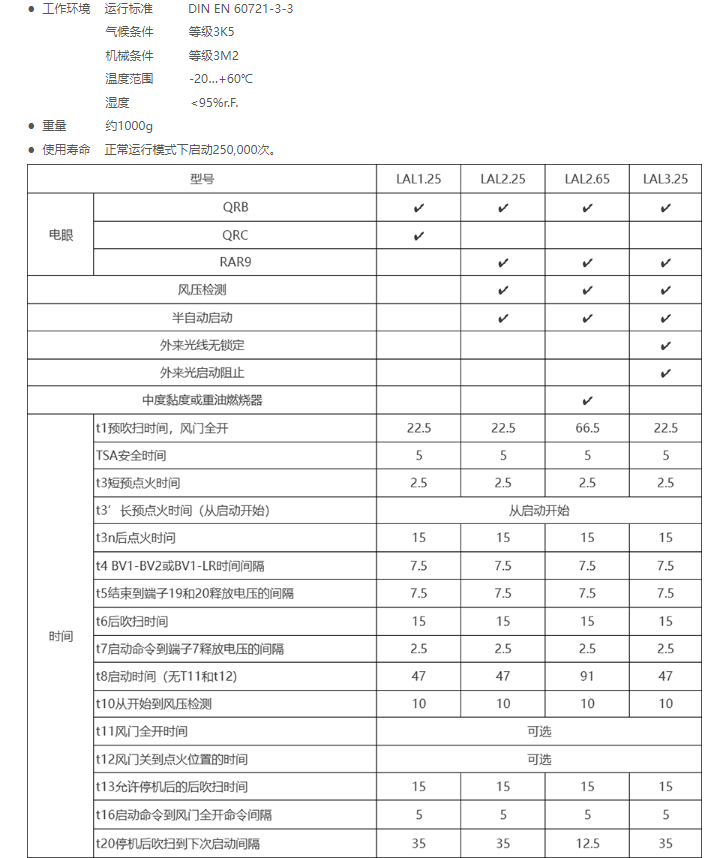
产品描述
产品详情
首页
关于我们
新闻动态
产品中心
人力资源
联系我们